大阪商工会議所の会員企業です
|
看板アルミ枠組立用スクラム部材短時間で組立て出来るアルミ製スクラム部材アルミコーナー部材とスリム角材と従来の30mmアルミ角をビスでとめていけば強固な
| ||||||||||||||||||||||||||||||||||||||||||||||||||||||||||||||||||||||||||||||||||||||||||||||||||||||||||||||||||||||||||||||||
![]() |
スクラム部材のパーツを利用して |
| スクラムで看板枠が簡単に制作できます。 | できあがった枠に板を取り付ければ出来上がり。 |
![]() |
|
| それぞれのパーツは差し込み式なので簡 単にドリルで固定できます。(各はめ込み部 分をドリルで固定させます。) |
これは中央の補強部分です。30角用T型ブラケットとアルミ角材を使用し、これらもドリルで固定します。 |
![]() |
![]() |
![]() |
※長さ2m超のアルミ角材の送料は
長物商品(2mを超える商品)の送料についてをご参照下さい。
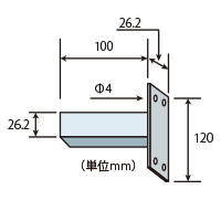
■26.2mmスリム角材断面:26.2mm角/アルミ1.5mm厚
|
■30mmアルミ角材断面:30mm角/アルミ1.5mm厚
|
||||||||||||||||||||
■30角用厚手T型ブラケット材質:アルミ(B2)
|
■アルミコーナー部材アルミでできたコーナーは頑丈で仕上がりシャープ!
|
補強の為に中桟を入れる際にこのT型部材があれば外枠に対して突っ張りながらビス止めが出来るので強固な看板枠が作れます。
材質:アルミ(生地)
厚み:1.5mm厚

|
品番 |
SC-T |
|
数量 |
1個 |
|
価格(税込) |
¥792 |
|
商品コード |
ASC104 |
↓下記部材を使用すれば延長や立体的な看板製作が可能です↓
■コーナー3点用立体的な看板作成ができます。 |
■中継部材延長する際にご利用ください。 |
||||||||||||||||
![]() |
![]() |
||||||||||||||||
|
|
※長さ2m超の不等辺アングルの送料は
長物商品(2mを超える商品)の送料についてをご参照下さい。
|
| 厚み | サイズ | 価格(税込) | 商品コード |
|---|---|---|---|
| 0.3mm | 10mm巾×20m巻 | ¥649 | ME0107 |
| 18mm巾×20m巻 | ¥1,166 | ME0108 | |
| 19mm巾×20m巻 | ¥1,243 | ME0109 | |
| 25mm巾×20m巻 | ¥1,628 | ME0110 | |
| 0.8mm | 19mm巾×20m巻 | ¥1,243 | ME0101 |
| 25mm巾×20m巻 | ¥1,606 | ME0102 |
|
||||||||||||||||||||||||||||||||
Copyright MEITO CO.,LTD. All Rights Reserved. |
||||||||||||||||||||||||||||||||
| 著作権、商標権等について | ||||||||||||||||||||||||||||||||